FQ816 brak schematu

Zapytaj o instrukcję serwisową/schemat urządzenia
marcinelektronik
Raczkujący użytkownik 1
Raczkujący użytkownik 1
Posty: 3
Rejestracja: ndz 06 lip 2003, 2:58
Lokalizacja: Jastrzębie Zdrój

FQ816 brak schematu

Postautor: marcinelektronik » czw 14 sie 2003, 3:40

Witam
może ktoś mógłby mi pomóc poszukuję schematu głowicy TV philips
chassis 1.6
typ głowicy FQ816
:cry:

Leszek
Raczkujący użytkownik 2
Raczkujący użytkownik 2
Posty: 14
Rejestracja: ndz 22 cze 2003, 10:11
Lokalizacja: Hamburg
Kontaktowanie:

FQ816 brak schematu

Postautor: Leszek » pt 15 sie 2003, 20:21

Musisz przeslac mi typ telewizora w ktorym znajduje sie ta glowica.
Posiadam bardzo duzo schematow Philipsa ale nie jestem stanie wszystkich przejzec
Pozdrowienia
Leszek

jozefg
Raczkujący użytkownik 3
Raczkujący użytkownik 3
Posty: 15
Rejestracja: pt 02 maja 2003, 18:59

Postautor: jozefg » pt 15 sie 2003, 22:20

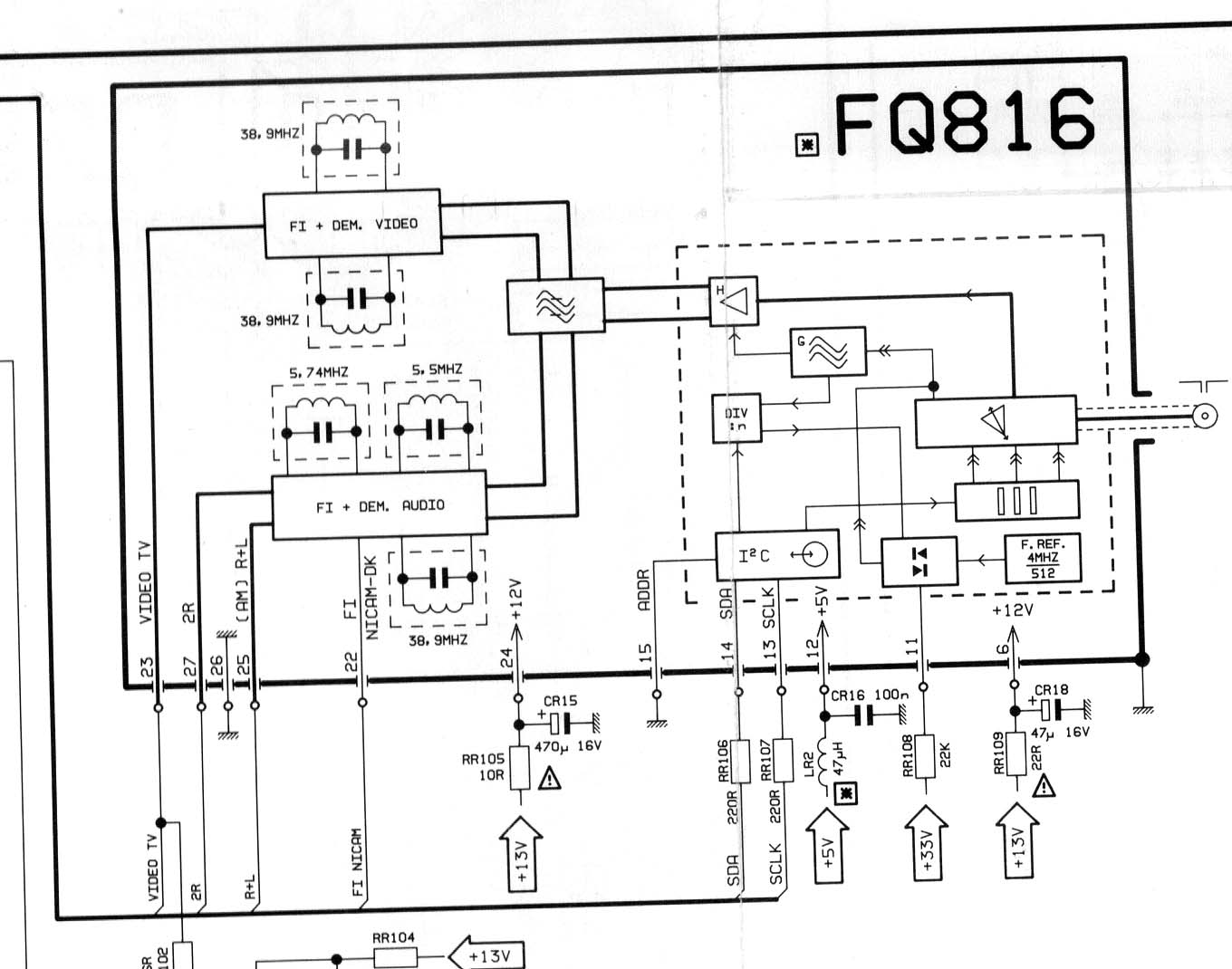
Może to się przyda - (ale to jest od ORIONA) :
Załączniki
FQ816.jpg
FQ816
(122.62 KiB) Pobrany 453 razy


Wróć do „Instrukcje serwisowe / schematy”

Kto jest online

Użytkownicy przeglądający to forum: Obecnie na forum nie ma żadnego zarejestrowanego użytkownika. i 10 gości

cron