Witam
Mam za zadanie wyliczyć prąd przy pomocy metody Thevenina.
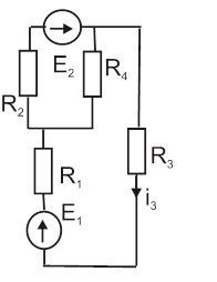
Schemat znajduje się w załączniku, czy ktoś mógłby wyjaśnić mi jak to zrobić? Teorie znam, trzeba policzyć opór na rozwartym obwodzie i U Thevenina, ale jak??
Z góry dziękuję za wszelką pomoc, naprowadzenie mnie czy też rozwiązanie zadania.
P.S. Czy mógłbym prosić jakiś tytuł dobrego zbioru zadań z podstaw elektroniki/elektrotechniki??;>
