zasilacz

LUCAS
Raczkujący użytkownik 1
Raczkujący użytkownik 1
Posty: 8
Rejestracja: pn 15 sie 2016, 9:00

zasilacz

Postautor: LUCAS » pn 15 sie 2016, 9:09

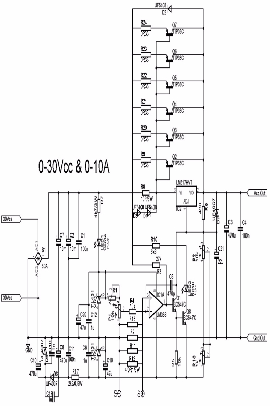
witam wszystkich! czy moze mi ktos powiedziec czy ten schemat bedzie dzialal poprawnie? i jaka powinna byc wartosc r1?
Załączniki
reg111.jpg

sp9ttz
Piszący użytkownik 3
Piszący użytkownik 3
Posty: 66
Rejestracja: pt 24 sty 2014, 1:40
Lokalizacja: Bytom

Re: zasilacz

Postautor: sp9ttz » pn 15 sie 2016, 11:06

R1 ustala maksymalny zakres regulacji prądu. Dla 10A wartość potencjometru R1 powinna być około 100k.

LUCAS
Raczkujący użytkownik 1
Raczkujący użytkownik 1
Posty: 8
Rejestracja: pn 15 sie 2016, 9:00

Re: zasilacz

Postautor: LUCAS » pn 15 sie 2016, 11:09

a te kondensatory przy mostku nie sa za male? w innych schematach przy pradach rzedu 10A sa elektrolity na 10.000uf

sp9ttz
Piszący użytkownik 3
Piszący użytkownik 3
Posty: 66
Rejestracja: pt 24 sty 2014, 1:40
Lokalizacja: Bytom

Re: zasilacz

Postautor: sp9ttz » pn 15 sie 2016, 22:38

Takie są. 10m czyli 10milifaradów to jest 10 000uf.

LUCAS
Raczkujący użytkownik 1
Raczkujący użytkownik 1
Posty: 8
Rejestracja: pn 15 sie 2016, 9:00

Re: zasilacz

Postautor: LUCAS » wt 16 sie 2016, 7:16

a dlaczego tam jest mostek az 50A ? przeciez 25A tez by wytrzymal a w moim dip trace ciezko dobrac mostek

sp9ttz
Piszący użytkownik 3
Piszący użytkownik 3
Posty: 66
Rejestracja: pt 24 sty 2014, 1:40
Lokalizacja: Bytom

Re: zasilacz

Postautor: sp9ttz » wt 16 sie 2016, 8:48

W chwili włączenia zasilania płyną duże prądy przez czas ładowania kondensatorów. Dlatego warto mieć zapas.

LUCAS
Raczkujący użytkownik 1
Raczkujący użytkownik 1
Posty: 8
Rejestracja: pn 15 sie 2016, 9:00

Re: zasilacz

Postautor: LUCAS » wt 16 sie 2016, 9:16

znalazlem jeszcze inny schemat i ten jest duzo prostszy do budowy i mniej czesci, tylko nie wiem czy da sie z niego wydusic 10A i czy wogole to zadziala ? a ten rezystor 0.15R to jest rezystor mocy ,czy wystarczy zwykly? chcialbym sobie zrobic zasilacz regulowany ale cizeko znalesc jakis sensowny schemat bo wiekszosc jest zbyt skomplikowana albo brakuje opisu wartosci elementow .wgl dzieki za pomoc bo ja z elektroniki to tylko lutowac potrafie :D
Załączniki
LM723_vanja.jpg

sp9ttz
Piszący użytkownik 3
Piszący użytkownik 3
Posty: 66
Rejestracja: pt 24 sty 2014, 1:40
Lokalizacja: Bytom

Re: zasilacz

Postautor: sp9ttz » śr 17 sie 2016, 11:09

Pytanie jakie parametry chcesz osiągnąć? Dla 10A w drugim schemacie R1 musi mieć ponad 15W. Przy takim prądzie i zakresie regulacji 0-30V na tranzystorze wydzieli się do 300W, czyli jeden 2N3055 na pewno nie wytrzyma.

LUCAS
Raczkujący użytkownik 1
Raczkujący użytkownik 1
Posty: 8
Rejestracja: pn 15 sie 2016, 9:00

Re: zasilacz

Postautor: LUCAS » śr 17 sie 2016, 11:58

wlasnie chcialbym zeby bylo te 10A . A jesli dam drugi tranzystor to tez musi byc ten kondensator i rezystor w obwodzie baza emiter ? wg mnie ten schemat jest dziwny bo ten tranzystor ma max napiecie na zlaczu emiter baza 7v a na tym schemacie przez bd 140 podaje sie 30v na baze ( jesli takie jest podlaczone) to przeciez ten 2n pojdzie z dymem zaraz ,chyba ze cos zle rozumuje

LUCAS
Raczkujący użytkownik 1
Raczkujący użytkownik 1
Posty: 8
Rejestracja: pn 15 sie 2016, 9:00

Re: zasilacz

Postautor: LUCAS » czw 18 sie 2016, 0:57

czy zamiast bd140 mozna dac b772? bo akurat taki mam

sp9ttz
Piszący użytkownik 3
Piszący użytkownik 3
Posty: 66
Rejestracja: pt 24 sty 2014, 1:40
Lokalizacja: Bytom

Re: zasilacz

Postautor: sp9ttz » pt 19 sie 2016, 9:27

W prawidłowo pracującym układzie na złączu B-E występuje napięcie ok. 0,6V. Zwiększając ilość tranzystorów bazy łączy się równolegle ale w emiterach trzeba dać rezystory i większy tranzystor sterujący.
2SB772 ma Vce max 30V . Nadaje się do tego układu ale tylko przy zasilaniu na wejściu mniejszym niż 30V.

Podsumowując jak chcesz osiągać tak duże zakresy pracy zasilacza to taki układ jak na pierwszym schemacie jest optymalny. Jak nie masz doświadczenia to drobne zmiany mogą skończyć się tragicznie. Jak nie wytrzyma któryś z tranzystorów to najczęściej dostaje zwarcie i zasilacz da na wyjściu 35V.
W takiej sytuacji przy pracy z jakimś wartościowym urządzeniem zasilanym np. 5V skończy się fajerwerkami.
Ostatnio zmieniony pt 19 sie 2016, 10:02 przez sp9ttz, łącznie zmieniany 1 raz.

LUCAS
Raczkujący użytkownik 1
Raczkujący użytkownik 1
Posty: 8
Rejestracja: pn 15 sie 2016, 9:00

Re: zasilacz

Postautor: LUCAS » pt 19 sie 2016, 9:34

a jak podlacze 4 tranzystory 2n3055 to ten bd 140 nie bedzie za slaby do sterowania bazami ?


Wróć do „Elektronika - tematy ogólne”

Kto jest online

Użytkownicy przeglądający to forum: Obecnie na forum nie ma żadnego zarejestrowanego użytkownika. i 17 gości