element smd 14 i 26

Identyfikacja elementów na podstawie zdjęć i symboli, miejsca w układzie.
jerom
Raczkujący użytkownik 1
Raczkujący użytkownik 1
Posty: 7
Rejestracja: śr 05 lis 2008, 20:53
Lokalizacja: śląskie

element smd 14 i 26

Postautor: jerom » śr 05 lis 2008, 21:50

Witam wszystkich!

Pracuje nad pralką Amica (moduł elektroniczny) i mam problem z rozszyfrownaniem elementów smd jak na zdjęciu: 14 i pionowo 31 oraz 26 i pionowo 33.
Pracują w sterowniku elektronicznym pralki opartym na m34510m4 i sterują przekaźnikami z rewersów.
Czy ktoś wie co to mogą być za układy? Proszę o pomoc. Dzięki.
Załączniki
14_31.jpg
(56.25 KiB) Pobrany 265 razy

jerom
Raczkujący użytkownik 1
Raczkujący użytkownik 1
Posty: 7
Rejestracja: śr 05 lis 2008, 20:53
Lokalizacja: śląskie

Postautor: jerom » śr 05 lis 2008, 21:56

A propo. Na zdjęciu przedstawiam schemacik w jakim to działa. Wyj. 2 IC to wyjście danych (prawdopodobnie D1) i mierząc do masy przekaźnika to poziom H na tym wyj. to 30V, a L to 24V. Przekaźnik na 24V. Co o tym sądzicie? Może by to zastąpić jakimiś elementami ogólnodostępnymi.
Za każdą pomoc dziękuję.
Załączniki
schemacik.jpg
(44.99 KiB) Pobrany 226 razy

jerom
Raczkujący użytkownik 1
Raczkujący użytkownik 1
Posty: 7
Rejestracja: śr 05 lis 2008, 20:53
Lokalizacja: śląskie

Postautor: jerom » śr 05 lis 2008, 22:05

A i jeszcze jedno - wymiary: 2,9x1,6x1,1 to 14 i prawdopodobnie takie same jeżeli chodzi o 26.
14 mam w tym układzie i zauważyłem, że jeżeli na wyj, D jest H (30V) to na wyj. 14 (w/g schemaciku) jest L (24V) i odwrotnie. 26 niestety nie mam i w tym problem. Jaki to może być element?

PI
Aktywny użytkownik 3
Aktywny użytkownik 3
Posty: 475
Rejestracja: ndz 29 paź 2006, 0:58
Lokalizacja: Pabianice

smd...

Postautor: PI » czw 06 lis 2008, 1:23

Witam; nie można wykluczyc - jest nawet dośc prawdopodobne, że 14 to DTA114 - tranzystor "cyfrowy" z wbudowanymi rezystorami 10+10kom, a 26 to DTC144 - podobnie z rezystorami 47+47k; pierwszy jest pnp, drugi npn; co do aplikacji, wszystko by sie zgadzało. Co do dostepnosci - sa dość popularne, a więc i pewno dostepne. TME, Impel, Lewandowscy, Poltronic itd..są chyba w Aprovi; jeżeli wszystko powyżej jest prawda, to chodzi o DTC144EK; trzeba to przemyslec, bo są w wersjach z innym zestawem rezystorów. Oczywiście są tez w obudowach TO92, jak i kilku SMD; (SOT). Jednak typowi "26" odpowiada w zasadzie DTC144EK i DTC144EU (47+47k) - oba SMD, w nieco innych obudowach.
PI

jerom
Raczkujący użytkownik 1
Raczkujący użytkownik 1
Posty: 7
Rejestracja: śr 05 lis 2008, 20:53
Lokalizacja: śląskie

Postautor: jerom » sob 08 lis 2008, 22:06

Witam "Pi"!
Miałeś rację. zamiast 26 wstawiłem bc550 + 2x47k zgodnie z DTC144 i na rewersach pojawiły się dobre oznaki. Dzięki.

PI
Aktywny użytkownik 3
Aktywny użytkownik 3
Posty: 475
Rejestracja: ndz 29 paź 2006, 0:58
Lokalizacja: Pabianice

element 14...

Postautor: PI » ndz 09 lis 2008, 1:47

Witam; no i dobrze; skoro już tak, to może byłoby lepiej zastosowac np. BC327, a jeszcze lepiej BC639 - ta sama kolejnośc wyprowadzen, co DTC i wystarczająco "mocne" parametry do sterowania przekaźnika.
PI

jerom
Raczkujący użytkownik 1
Raczkujący użytkownik 1
Posty: 7
Rejestracja: śr 05 lis 2008, 20:53
Lokalizacja: śląskie

Postautor: jerom » ndz 09 lis 2008, 14:26

Witam PI!
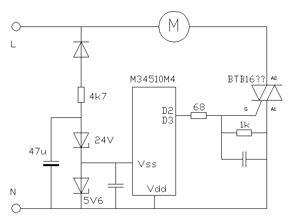
To był element smd więc i tak tam nie było miejsca na jakiekolwiek aplikacje więc wziąłem tranzystor pierwszy z brzegu u wlutowałem ja na osobnej płytce i przykleiłem do procesor. Niestety mam nowy problem - sterowanie triaka w tym układzie. Poniżej przedstawiam część schematu sterowania pralki (Amica WMS - jeżeli komuś się to przyda to proszę bardzo).
Troszkę go uprościłem, w rzeczywistości są tam jeszcze przekaźniki rewersów i reset mikroprocesora i takie tam. Chodzi mi o sterowania triaka. Był wypalony razem ze ścieżką i jedynie co mi się udało odczytać to BTB1.... (mniemam 6SW) - sterowany prosto z procka. Włożyłem BTB16B i silnik nie ruszył. Tak więc myślę, że to musi właśnie być BTB16SW (logic level), chyba, że się mylę. Co o tym sądzicie?

Jeżeli się jednak nie mylę to jest problem z dostępnością tego triaka. Może ktoś z Was ma jakieś namiary na takie bóstwo? Ewentualnie zastanawiam się czy nie można by w tym układzie zastosować jakiegoś tranzystora ewentualnie tranzystora "cyfrowego" (tylko nie wiem czy npn czy pnp) lub coś na wzmacniaczu operacyjnym. Elektronika to moje hooby więc proszę o pomoc bardziej zorientowanych w tej dziedzinie. Może ktoś na szybko mógł by skrobnąć taki "schematek" do tego sterowania na ogólnodostępnych elementach. Dzięki za każdą pomoc.
Załączniki
schemat_sterowanie.jpg
(47.88 KiB) Pobrany 196 razy


Wróć do „Identyfikacja elementów”

Kto jest online

Użytkownicy przeglądający to forum: Obecnie na forum nie ma żadnego zarejestrowanego użytkownika. i 5 gości

cron