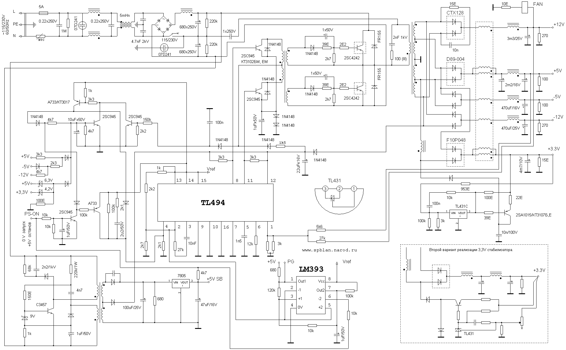
Poszukuje schematu zasilacza ATX 300W na US-KA7500 lub podobnego narazie znalazlem tylko taki schemacik pogladowy zasilacza ATX 200W,
jak by ktos mial to prosze o podanie stronki na internecie lub przeslanie mi go na adres piotr-edmcm@o2.pl

piotr-edmcm pisze:Poszukuje schematu zasilacza ATX 300W na US-KA7500 lub podobnego narazie znalazlem tylko taki schemacik pogladowy zasilacza ATX 200W,
jak by ktos mial to prosze o podanie stronki na internecie lub przeslanie mi go na adres piotr-edmcm@o2.pl

Anonymous pisze:piotr-edmcm pisze:Poszukuje schematu zasilacza ATX 300W na US-KA7500 lub podobnego narazie znalazlem tylko taki schemacik pogladowy zasilacza ATX 200W,
jak by ktos mial to prosze o podanie stronki na internecie lub przeslanie mi go na adres piotr-edmcm@o2.pl
Wróć do „Instrukcje serwisowe / schematy”
Użytkownicy przeglądający to forum: Obecnie na forum nie ma żadnego zarejestrowanego użytkownika. i 39 gości