Witam
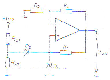
mam nietypowe pytanie pytanie analizując prace źródła napięcia sterowane napięciem
do czego sa tam potrzebne te diody ?
dziekuje


Wróć do „Instrukcje serwisowe / schematy”
Użytkownicy przeglądający to forum: Obecnie na forum nie ma żadnego zarejestrowanego użytkownika. i 18 gości