PI pisze:Witam; trudno mi obiecywac na 100%, bo nie jestem do konca pewien, że odnajdę te Elektory, ale postaram się....kilka dni to pewno potrwa.
PI

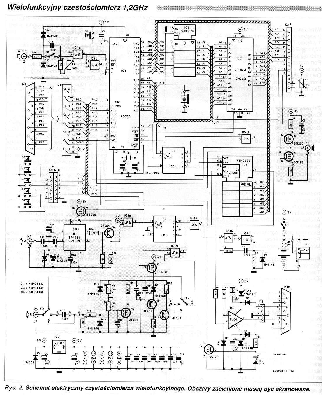
^Target pisze:Nie wiem, czy jest praktyczny i ekonomiczny sens odtwarzania tego projektu. 80C32 to archaiczna wersja MCS51, wymagająca zewnętrznej pamięci programu. Użycie współczesnego mikrokontrolera z wbudowaną pamięcią flash pozwoli uprościć konstrukcję i zredukuje kosztownego i kłopotliwego EPROMa. Sam tor wejściowy jest dość przyzwoicie wykonany, jednak mogą wystąpić problemy z dostępem do niektórych elementów. Moją propozycją jest użycie szybkiego uC, np jakiegoś AVRa, który posiada rozbudowane timery sprzętowe, zdolne do pracy z częstotliwością bliskiej połowie częstotliwości taktowania, a nie 1/12 w przypadku '51. Co do prescalera, to użyte układy SP nie są zbyt popularne, można zastąpić SAB6456. Dokładność wskazań na ekstremalnym GHz'owym zakresie będzie w znacznym stopniu zależała od dokładności rezonatora kwarcowego i jego stabilności temperaturowej. Najlepszym rozwiązaniem byłoby wykonanie osobnego oscylatora (najlepiej na tranzystorze J-FET + bramkowy układ formowania) i zapewnienie mu własnej stabilizacji napięcia, temperatury oraz precyzyjne dostrojenie go do częstotliwości nominalnej.Oczywiście wszystko w granicach rozsądku

^Target pisze:Widzę, że solidne podstawy są, także teoretyczne. Jeśli już masz PCB, to zdecydowanie najlepszym rozwiązaniem jest użycie AT89S5x, którego zaprogramujesz poprzez ISP, a jest zgodny z 80C32. Zaoszczędzisz sobie czasu na zabawy z EPROMem, poza tym program w wersji .hex zapewne o wiele łatwiej znajdziesz. Na płytce nic nie będzie trzeba zmieniać, nie wlutujesz tylko IC6 i IC7. Debugowanie i ewentualne modyfikacje softu również staną się o wiele łatwiejsze. Na necie pełno jest projektów bardziej lub mniej udanych częstościomierzy, niektóre nawet na układach FPGA. Jeśli "polegniesz" z tym projektem (absolutnie nie życzę) to jest w czym wybierać. Na chwilę obecną mikrokontrolery oferują znacznie więcej, a ceny nie są wygórowane.

^Target pisze:Te 10 lat to zapewne przy pracy w górnym zakresie temperatur. Stawianie tego jako kluczowy argument wydaje się bezzasadne. Niezawodność mikrokontrolera, który dostaje rozkazy przez kilkunastobitową magistralę, do tego multipleksowaną jest zdaje się być bardziej poważnym zagrożeniem. "Flashowe" procki nie mają tego problemu

^Target pisze:Paaaanie, daj Pan spokój (jak mawiał pewien Pan z pewnej reklamy).
Forum nie jest po to, żeby sobie prawić komplementy, tylko wymieniać się wiedzą. Na forum są raczej koledzy, zwroty w stylu "Pan" mogą zostać źle zrozumiane. Dla mnie taka sytuacja jest o tyle niewygodna, iż potencjalnie zwraca się do mnie osoba (2^n) lat starsza ode mnie
Dla każdego, kto nie jest zbytnio obeznany z tematem procków polecam ciąg artykułów z EdW "Mikrokontrolery? To takie proste" dostępny na ich stronie http://www.edw.com.pl/index.php?module= ... 68&meid=20
Wracając do głównego tematu: układ można wykonać byle jak, byle dobrze. Obawiam się, że "wsad" do uC lub jego kod źródłowy będą jeszcze trudniejsze do zdobycia niż treść artykułów. Jeśli tak, należałoby się zastanowić nad celowością dalszych działań. Kilka moich projektów również poległo w ten sposób - albo brakło kluczowego elementu, albo oprogramowania. Tym bardziej zachęcam do zapoznania się z innymi, bardziej współczesnymi układami, których można znaleźć wiele na sieci.
Jakkolwiek, bez żadnych prescalerów i stopni wejściowych nie będzie wykonalny pomiar częstotliwości rzędu >=10MHz, niezaleznie od zastosowanego uC i jego oprogramowania. Szybkie bramki pozwalają sięgać pułapu 150 MHz, wyżej to już tylko dedykowane układy prescalerów
albo bramki ECL. Dokładność częstotliwości wzorca i jej stabilność czasowa również odgrywa kluczową rolę, zwłaszcza dla pomiarów wysokich częstotliwości. No i w sumie najważniejsza kwestia: do jakich pomiarów taki przyrząd ma służyć? Rzadko kiedy pracuje się aż z tak szybkimi sygnałami, do analizy stabilności i czystości widmowej lepiej nadaje się choćby oscyloskop (a najlepiej analizator widma). Dzisiaj każdy "lepszy" multimetr
(>= 50zł) posiada funcję pomiaru f z dokładnością co najmniej 3,5 cyfry, a często także współczynnika wypełnienia impulsów.
Mam nadzieję, że nie zniechęciłem zbytnio zainteresowanych... ja tu tylko sprzątam

^Target pisze:Z wyświetlaczami z reguły nie ma problemów, czasami tylko trafia się niestandardowy rozkład wyprowadzeń. Standard HD44780 jest powszechnie stosowany i przez to "oklepany". W sprzedaży poza standardowymi pozytywowymi, są także negatywowe wyświetlacze z ciekawymi kolorami podświetlania, bardzo "przyjemne" w odbiorzeSklep www.artronic.com.pl posiada bogatą ich ofertę. Co do MC10116 to mam tych kostek kilka, ale wydawało mi się, że są to wzmacniacze liniowe, a nie prescalery. Jeśli istnieje dla nich takie rozwiązanie układowe, to jestem bardzo zainteresowany jego schematem. Stare, poczciwe 74F74 można zaprzęgnąć jako dzielnik przez 2 lub 4 dla sygnałów ok. 150MHz
Wróć do „Instrukcje serwisowe / schematy”
Użytkownicy przeglądający to forum: Obecnie na forum nie ma żadnego zarejestrowanego użytkownika. i 21 gości